Discontinued
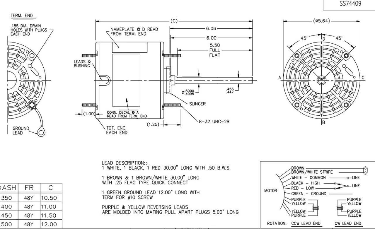
- 1/2 hp 1075 RPM, 4.2 amps, 208-230 Volts 60 Hz, Permanent Split Capacitor (PSC)
- NEMA 48Y Frame Keyed Shaft 1/2″ Diameter x 6″
- Service Factor = 1.0, Thermal Protection = Automatic
- No Base, Reversible, Ball Bearings, Class B insulation
- 1 Year Manufacture Warranty
Condenser Fan Motors are used in air conditioning coolant condenser units usually found outdoors. Shaft may be vertical or horizontal. TEAO = Totally-Enclosed Air-Over so motor must be in air-stream. 048A11T2013

















Reviews
There are no reviews yet.