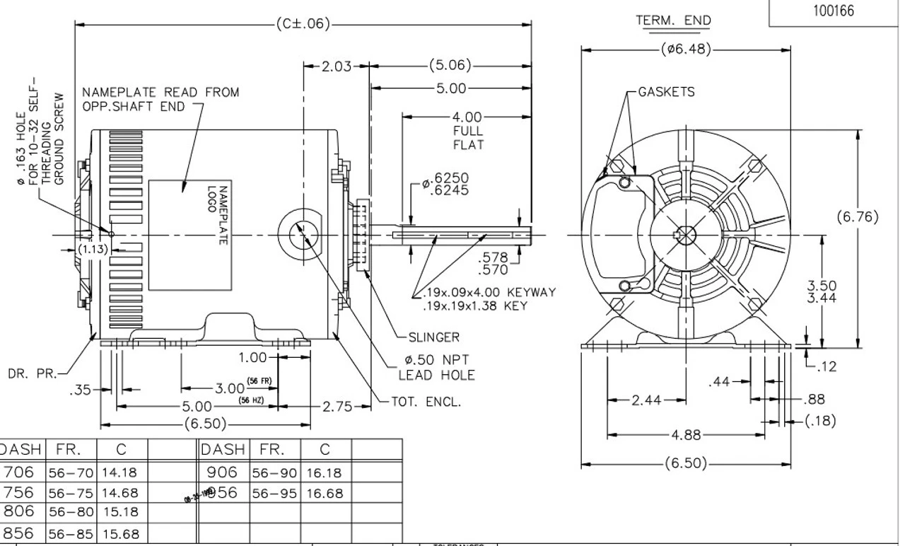
- 1/2 hp 825 RPM, 2.9-3.0/1.5 amps, 208-230/460 Volts 60 Hz, 3-Phase
- NEMA 56HZ Frame Keyed Shaft 5/8″ Diameter x 5″
- Service Factor = 1.0, Thermal Protection = Automatic
- Rigid Base, Reversible, Ball Bearings, Class B insulation
- 1 Year Manufacture Warranty
Condenser Fan Motors are used in air conditioning coolant condenser units usually found outdoors. Shaft may be vertical or horizontal. OPAO = Open Air-Over so motor must be in air-stream. 056T8O5531


















Reviews
There are no reviews yet.